- D681F卫生级快装气动蝶阀说明书
- BV1FS/BV2FS气动粉体蝶阀说明书
- D643H气动法兰三偏心多层次蝶阀说明书
- D673H气动对夹式三偏心多层次蝶阀说明书
- D671X对夹式气动软密封蝶阀说明书
- 装拆阀门时如何区分左旋螺纹和右旋螺纹呢
推荐阅览
公司电话:021-57522756移动热线:13671530603
传真号码:021-33275154
邮 箱:lqgyyz@163.com
地 址:上海市川南奉公路9860号
D671X对夹式气动软密封蝶阀说明书
发布时间:2026-04-23 点击次数:8次
对夹式气动软密封蝶阀
一种用来实现管路系统通断及流量控制的部件
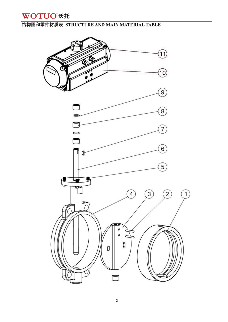
对夹式气动软密封蝶阀是一种用于管路系统通断及流量控制的阀门部件,广泛用于石油、化工、冶金、水电等领域。主要由阀体、蝶板、阀座密封圈等部件构成,采用中线型或双偏心结构,通过气动装置驱动实现启闭控制。阀体材质可选球墨铸铁、铸钢WCB、不锈钢304/316等,适用公称通径DN50~2000mm,压力等级PN6-PN16(0.6~1.6MPa)。
该阀门采用软性密封副设计,密封圈材料多为丁腈橡胶或氟橡胶,阀座与阀体内衬一体化结构可实现双向密封零泄漏。蝶板采用框架结构降低流阻,阀杆与蝶板通过无销钉连接实现自动对中。适用温度范围根据密封材质差异为-40℃~90℃(丁腈橡胶)或-20℃~200℃(氟橡胶),介质涵盖水、空气、天然气及弱腐蚀性流体。产品符合GB/T 12238、GB/T 13927等标准,安装时可选择立式或卧式布局,需保持蝶板关闭状态进行法兰螺栓紧固
现有一种比较先进的蝶阀是三偏心金属硬密封蝶阀,阀体和阀座为连体构件,阀座密封表面层堆焊耐温、耐蚀合金材料。多层软叠式密封圈固定在阀板上,这种蝶阀与传统蝶阀相比具有耐高温,操作轻便,启闭无磨擦,关闭时随着传动机构的力矩增大来补偿密封,提高了蝶阀的密封性能及延长使用寿命的优点。
对夹式气动软密封蝶阀在使用过程中仍然存在以下几个问题:
一、由于多层软硬叠式密封圈固定在阀板上,当阀板常开状态时介质对其密封面形成正面冲刷,金属片夹层中的软密封带受冲刷后,直接影响密封性能。
二、受结构条件的限制该结构不适应做通径DN200以下阀门,原因是阀板整体结构太厚,流阻大。
三、因三偏心结构的原理,阀板的密封面与阀座之间的密封是靠传动装置的力矩使阀板压向阀座。正流状态时,介质压力越高密封挤压越紧。当流道介质逆流时随着介质压力的增大阀板与阀座之间的单位正压力小于介质压强时,密封开始泄漏。
高性能软密封蝶阀,对夹式气动软密封蝶阀
其特征在于:所述阀座密封圈由软性T形密封环两侧多层不锈钢片组成。
阀板与阀座的密封面为斜圆锥结构,在阀板斜圆锥表面堆焊耐温、耐蚀合金材料;固定在调节环压板之间的弹簧与压板上调节螺栓装配一起的结构。这种结构有效地补偿了轴套与阀体之间的公差带及阀杆在介质压力下的弹性变形,解决了阀门在双向互换的介质输送过程中存在的密封问题。
采用软性T型两侧多层不锈钢片组成密封圈,具有金属硬密封和软密封的双重优点,无论在低温和高温情况下,均具有零渗漏的密封性能。试验证明池正流状态(介质流动方向与蝶板转动方向相同)时,密封面的压力是传动装置的力矩和介质压力对阀板的作用产生的。正向介质压力增大时阀板斜圆锥表面与阀座密封面挤压越紧,密封效果越好。
当逆流状态时,阀板与阀座之间的密封靠驱动装置的力矩使阀板压向阀座。随着反向介质压力的增大,阀板与阀座之间的单位正压力小于介质压强时,调节环的弹簧在受载后所储存的变形能补偿阀板与阀座密封面的紧压力起到自动补偿作用。
因此本实用新型不像现有的技术那样,在阀板上安装软硬多层密封圈,而是直接安装在阀体上,在压板和阀座中间增设调节环是十分理想的双向硬密封方式。它将可取代闸阀、及球形阀















